Viewing I2C Addresses as 8-bit
Our built-in I2C analyzer displays I2C addresses as a 7-bit value + ACK/NAK bit by default.
.png)
In certain scenarios, it may be preferred to view the address field as an 8-bit value (incorporating the R/W bit). We’ve added a high level analyzer (HLA) extension that allows for this feature.
1. Navigate to the Extensions panel of the software on the right
2. Find the “I2C 8-Bit Address Display extension” and click Install
.png)
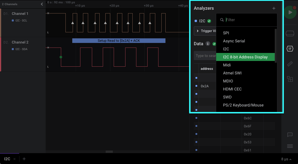
3. Once installed, navigate to the Analyzers panel on the right and add it as an analyzer by clicking the ”+” button.
.png)
4. When the setup window appears, select your I2C analyzer
5. Afterwards, your I2C addresses should appear as an 8-bit value as shown below.
.png)